获奖单位:成人小说 ,昆明医科大学******附属医院
获奖人员:张铁松,马静,阮标,林垦,高映勤,陈泉东,李书聆,明澄,周丽娟,江茹,孙美华
该项目主要内容和创新点:通过对儿童先天性耳聋的发病机理及防治进行了系统性研究,建立了早筛、诊断、科学干预、言语康复的标准化防治技术体系,在省内外推广应用,造福广大听障患儿。

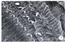
该项目通过动物模型的建立、血铅和电生理检测、形态学观察、新生儿听力联合聋病易感基因的联合筛查技术、易感基因突变分子病因学的研究等方法明确儿童先天性耳聋的发病机理,并进行聋病患儿的听力补偿与干预、儿童听力障碍的言语康复等手段防治。通过17年的研究取得了以下成果:(1)明确环境和药物引发感音神经性耳聋的发病机理,探索相应的保护机制;(2)阐明了新生儿早期听力联合聋病基因筛查的价值,首次揭示了我省聋儿易感基因总的突变率及突变形式,绘制了我省耳聋基因突变图谱。首次发现了Waardenburg综合征SOXl0基因新发突变位点;(3)规范了儿童听力障碍的治疗,显著提高听力补偿后的言语康复效果;(4) 通过标准化防治体系的建立,建成具有省内重要影响的昆明市儿童听力障碍疾病诊治创新团队和工程技术中心,成为云南省和昆明市的重点学科。
|
|
|
电镜下高铅暴露组2周后毛细胞出现倒伏、排列紊乱(×400) | The de novo mutation in SOX10 gene [NM_006941.3 c.163A>T] | 微创人工耳蜗植入 |
